
Alle Produktinformationen im Überblick
Produktbeschreibung
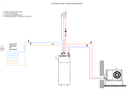
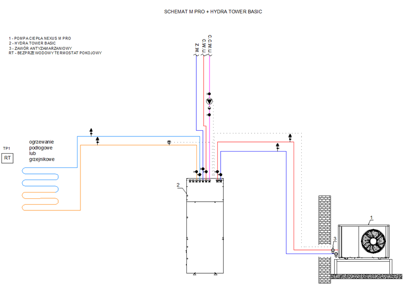
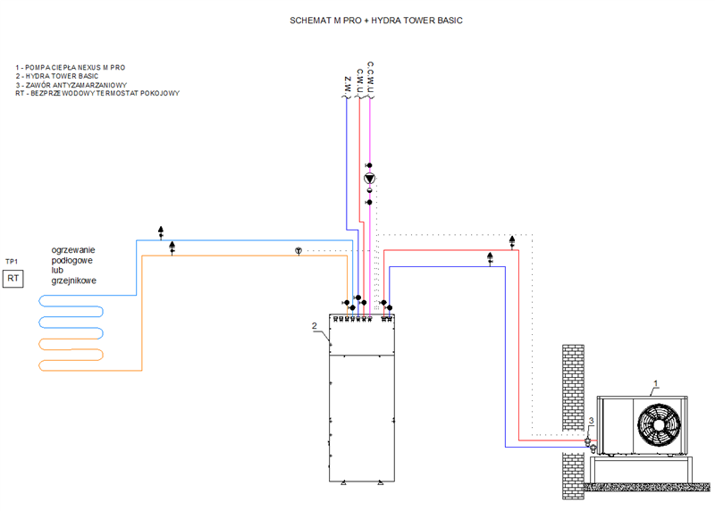
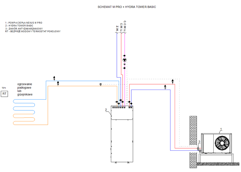
Sunex Hydra Tower PRO - komplette Heizraumlösung in einem Gerät - Warmwasserspeicher 210l mit einem Wärmetauscher + Pufferspeicher 65l
Komplette Heizraumausstattung in einem Einzigen Gerät
Maximale Kompabilität der Komponenten
Kompabilität mit den Wärmepumpen Nexus M EVI und Nexus M PRO
Der HYDRA TOWER zeichnet sich durch seine kompakte Bauweise aus, die eine optimale Raumausnutzung ermöglicht. Bei einem Flächenbedarf von knapp über 1 m² reduziert die geringe Aufstellfläche des HYDRA TOWER die Kosten für Neubauten und schafft in bestehenden Gebäuden zusätzlichen Freiraum.
Durch die Unterbringung von Warmwasser- und Pufferspeicher, Umwälzpumpen, Dreiwegeventil, Filter und Armaturen in einem kompakten Gehäuse sorgt der HYDRA TOWER für ein ästhetisches Erscheinungsbild im Heizungskeller. Das integrierte Regelsystem ermöglicht die Steuerung der Wärmepumpe und der übrigen Heizungskomponenten.
Funktionen und Vorteile
Kompakte Bauweise: Das Gerät benötigt eine Aufstellfläche von knapp über 1 m², wodurch Platz im Heizungskeller gespart und möglicherweise Baukosten für neue Gebäude reduziert werden.
Integrierte Komponenten: Der HYDRA TOWER beherbergt wesentliche Komponenten wie Warmwasserspeicher, Pufferspeicher, Umwälzpumpen, Dreiwegeventil, Filter und Armaturen in einem einzigen Gehäuse.
Ästhetisches Erscheinungsbild: Durch die Unterbringung aller Komponenten in einem kompakten Gehäuse sorgt es für ein aufgeräumtes und ästhetisches Erscheinungsbild im Heizungskeller.
Steuerung: Ein implementiertes Regelsystem ermöglicht die Steuerung der Wärmepumpe und der gesamten Heizraumausstattung. Eine Steuerung über das Internet ist ebenfalls möglich.
Effizienz: Das System ist auf hohe Betriebseffizienz und eine lange Lebensdauer ausgelegt, unter anderem durch die Verwendung von Komponenten anerkannter globaler Hersteller.
Erweiterbarkeit: Es sind Erweiterungssets verfügbar, um beispielsweise einen zweiten Heizkreislauf in das System einzubinden.
Alle Vorteile auf einen Blick
- Steuerung von 2 Heizkreisen mit Mischventilen nach der Heizkurve
- Umschaltung des Kreislaufs zwischen Zentralheizung und Warmwasser nach Bedarf (Warmwasservorrang)
- Einschalten des Elektroheizstabs zur Heizungsunterstützung als Notstromquelle oder zur Brauchwassererwärmung
- Steuerung der Brauchwasserzirkulationspumpe
- Zeitplan für die Zentralheizung und für Brauchwasser
- Bedienfeld mit 4,3"-Touchscreen-Display
- Grafische Anzeige der Betriebsparameter der Wärmepumpe und des Heizkreises
- WiFi-Netzwerk-Konnektivität
Produktinformation
- Warmwasserspeicher 210l
- Pufferspeicher 65l
- Höhe 195cm
- Grundfläche 74x74cm
- Gewicht 235kg
- Arbeitet mit Kreisläufen: Warmwasser - Fußbodenheizung - Heizkörper
Komponenten der Einheit
- Warmwasserspeicher
- Pufferspeicher
- Fußbodenheizungsgruppe
- Heizkörperpumpe
- Umwälzpumpe
- Heizstab 4kW 400V
- Drei-Wege-Ventil
- Mischventil
- Magnetfilter
Technische Daten
- Material: S235JR
- Schweißen: automatisches Schweißen
- Schutz: hochwertige Emaillierung und Schutzanode (Warmwasserspeicher)
- Kapazität des Brauchwasser-/Pufferspeichers: 210/65l
- Max. Betriebsdruck Brauchwasserspeicher/Puffer/Wärmetauscher: 10/3/16bar Max.
- etriebstemp. Brauchwasserspeicher/Puffer/Wärmetauscher: 95/95/110ºC
- Wärmetauscherfläche oben/unten: 1,9/0,84m2
- Wärmetauscher-Kapazität oben/unten: 11,05/4,9l
- Isolierung: 50 mm dicker Polyurethanschaum
- Außenmantel: grau
- Wärmetauscher: P235GH Stahlrohr
- Inspektionsöffnung: ø122mm/ø179mm
- Gewicht: Hydraulikmodul/Speichermodul 91/166 kg
Wichtiger Hinweis!
Die Installation und Inbetriebnahme der Geräte ist ausschließlich durch Fachpersonal zu erfolgen. Im Falle einer Reklamation ist der fachgerechte Einbau / Installation durch qualifizierte Fachbetriebe (Fachunternehmerbescheinigung u. Sonderqualifikation) nach zuweisen. Sollten keine Nachweise erbracht werden, erlischt jegliche Garantie und Gewährleistung.
Technische Änderungen und Irrtümer vorbehalten! Zwischenverkauf vorbehalten! Abbildung ähnlich!
Technische Daten
| Datenblatt | Download PDF |
|---|---|
| Anlagenbuch | Download PDF |
Installation
Hinweise
Herstellerinformationen
SUNEX S.A. Ziegelweg 7 02906 Niesky Polen service@sunex-deutschland.de https://sunex-deutschland.de/
Unsere Leistungen im Überblick
Wir von Clima-Air sehen uns in erster Linie als Dienstleister.
Daher hört unser Service nach der Lieferung lange noch nicht auf
Individuelle und professionelle Beratung
Anschluss und Inbetriebnahme der Klimaanlagen
Jährliche Wartung und Service Ihrer Klimaanlage
Haben Sie Fragen oder benötigen Hilfe?
Nutzen Sie gerne unser Formular auf der Kontaktseite um uns eine Nachricht zukommen zu lassen oder rufen Sie direkt unter der unten angegebenen Nummer an. Unsere Service Mitarbeiter bemühen sich zeitnah alle Fragen zu beantworten.