
Alle Produktinformationen im Überblick
Produktbeschreibung
SUNEX Warmwasserspeicher FISH S1 X 200 bis 500 Liter mit 1x Wärmetauscher | Brauchwasserspeicher
Warmwasserspeicher - Brauchwasserspeicher in den Ausführungen 200, 300, 400 und 500 Liter Volumen
Warmwasserspeicher in der Stehenden Ausführung für die Brauchwasserbereitung. Die Warmwasserkontaktfläche mit dem Speicher ist durch eine Schicht aus hochwertigem Email und Magnesiumanode* vor Korrosion geschützt. Damit ist gemäß DIN 4753 sichergestellt, dass das Brauchwasser nur mit einer hygienisch sauberen Oberfläche in Berührung kommt.
Die Brauchwassererwärmung erfolgt durch einen Glattrohr-Wasserwärmetauscher, der den Anschluss einer externen Wärmequelle wie z.B. Solaranlage, Wärmepumpe, Kessel oder optionalen Elektro- Heizstabs ermöglichen.
Wärmedämmung
Die Wärmedämmung in den Speichern besteht aus einer Schicht aus CFC-freiem Polyurethan Hartschaum und einer austauschbaren Schicht aus PVC-Mantel.

Standardausstattung
Inspektionsöffnung, Thermometer, Müffe für Elektro Heizstab, Magnesiumanode*, interner Wärmetauscher.
*Optional kann eine Titananode verwendet werden
- Material: S235JR
- Schweißen: automatisches Schweißen
- Schutz: hochwertige Emaillierung und Schutzanoden
- Maximaler Betriebsdruck des Speichers: 10 bar
- Maximaler Prüfdruck: 15 bar
- Maximale Betriebstemperatur: 95ºC
- Isolierung: 50 mm dicker Polyurethanschaum
- Außenmantel: Graue Farbe
- Wärmetauscher: Stahlrohr S235JR
- Inspektionsöffnung: ø122mm/ø180mm
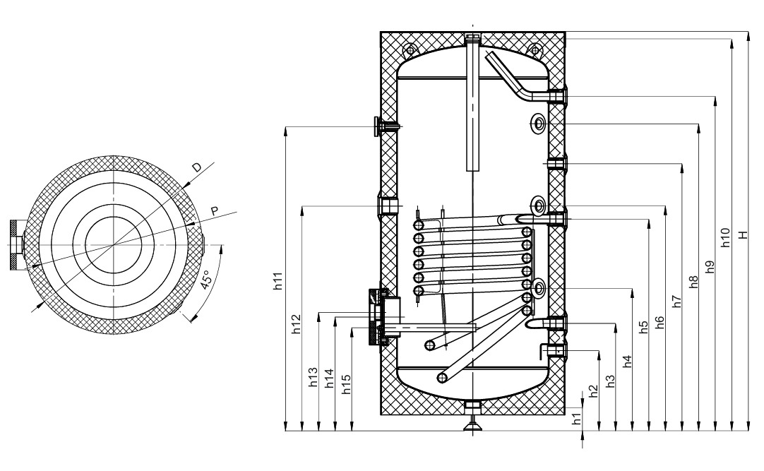
Technische Daten
1- Hochwertige Emaille für zuverlässigen Korrosionsschutz
2- Effizienter Wärmetauscher mit Spezialdesign Solaranlagen
3- Anschlussbuchse die Montage eines s speziell angepassten UV-20- Desinfektionssystems
4- Revisionsöffnung für eine einfache Reinigung, Installationsmöglichkeit Warmwasserspeicher mit Wärmetauscher eines Heizstabs
5- PUR-Schaum-Isolierung für hervorragende Wärmedämmung
6- Magnesium-Schutzanode für den Korrosionsschutz


Wichtiger Hinweis!
Die Installation und Inbetriebnahme der Geräte ist ausschließlich durch Fachpersonal zu erfolgen. Im Falle einer Reklamation ist der fachgerechte Einbau / Installation durch qualifizierte Fachbetriebe (Fachunternehmerbescheinigung u. Sonderqualifikation) nach zuweisen. Sollten keine Nachweise erbracht werden, erlischt jegliche Garantie und Gewährleistung.
Technische Änderungen und Irrtümer vorbehalten! Zwischenverkauf vorbehalten! Abbildung ähnlich!
Technische Daten
| Datenblatt | Download PDF |
|---|---|
| Installationsanleitung | Download PDF |
Installation
Hinweise
Herstellerinformationen
SUNEX S.A. Ziegelweg 7 02906 Niesky Polen service@sunex-deutschland.de https://sunex-deutschland.de/
Unsere Leistungen im Überblick
Wir von Clima-Air sehen uns in erster Linie als Dienstleister.
Daher hört unser Service nach der Lieferung lange noch nicht auf
Individuelle und professionelle Beratung
Anschluss und Inbetriebnahme der Klimaanlagen
Jährliche Wartung und Service Ihrer Klimaanlage
Haben Sie Fragen oder benötigen Hilfe?
Nutzen Sie gerne unser Formular auf der Kontaktseite um uns eine Nachricht zukommen zu lassen oder rufen Sie direkt unter der unten angegebenen Nummer an. Unsere Service Mitarbeiter bemühen sich zeitnah alle Fragen zu beantworten.